
このシーケンス制御入門では、
最低次のレベルのシーケンス図は
理解できるようになっていただき、

そして、次のレベルの電気制御盤内の
故障調査・復旧はできるように
なってもらいます。
購入者の実績の1部
写真の制御盤の故障も修理できました 高橋祐史様(愛知県在住) 30代 設備保全 私は、設備保全業務に従事しており 制御盤内の修理に携わる事がありますが、 しかし教材を受講し基礎や故障対応ノウハウを学んだ事ににより、有接点制御に慣れ、 まだまだ力不足ですので、教材内容を復習し、制御盤修理に携わり、 |
オペレーター並びに関係者共々、予想以上の成果に 日浦正敏様(和歌山県在住) トイレタリー製造業 ![]() 製造現場ではコンベヤ上にエアシリンダやセンサなどが数か所に使用されており、 今回、シーケンス制御を有接点リレー方式から学習するために、エンプロウェルさんの そしてこの学習教材で基礎を学んだあと現場にある課題に対し、 製造現場で生産された製品は、パレットに積み付けが完了した後、 そこで、室外に『シグナル表示器』を、積み付け作業場内には シーケンス制御とは何か、それすら全く知らないオペレーターが、 ![]() |
ここで紹介した成果や声は一部です。
その他、2010年から販売を開始し
「今度こそ理解できた」とか
「詐欺かと思ったが買ってよかった」
等 当方としても うれしい声を
いただきました
これ以外は、購入者様の成果や声は
以下のボタンをクリックすると
移動したページ内に記載しております。
クリックしてご確認ください

このシーケンス制御入門の対象者
紹介する「シーケンス制御入門」は
次のような方に最適な内容となって
います。
●シーケンス制御については初心者である
●リレーシーケンス(有接点シーケンス)について学習したい
●業務は故障現場でする保全員である
●座学だけではなく、実際に電磁リレーなどの
電気制御機器を使った実習をしたい
●短時間でシーケンス制御と電気故障の基礎を学びたい
8つの特徴
次のような特徴があります。
自宅で独学したい方に最適です。
1.動画視聴で学習
学習は基本的に動画を視聴して
行います。
動画ファイルをあなたのパソコンや
携帯機器の保存して、そこから
再生して視聴します
第1章から学習し初心者でも
順序立てて学習できるように
構成しています
2.実習用キットで実習

座学だけでは理解は難しいので
写真のような実習用キットを準備
しました。
電磁リレーや電子タイマーを
自分で配線接続して、シーケンス制御の
基本回路を動作させて理解と自信を
深めましょう
実習に必要なものは全てセットに
なっています。
電線も既に圧着端子をつけていますので
ニッパや圧着ペンチ等、新たな工具は
一切必要ありません。
あと、実習の特徴として
故障調査の実習
「このシーケンス制御入門の対象者」で
書きましたが、このシーケンス制御入門は
故障現場で電気故障を修理する
保全・修理屋の方に最適な内容となっています。
それについての講義もありますが
実習でもしてもらいます。
故障した電気制御機器で回路を
配線接続し、説明に読みながら
アナログテスターも使って
どう調査していくか実習します
3.実習用キットのレンタル
実習用のキットは、手元に置いて
好きな時に動作確認できた方が
いいですが、実習機材代で
購入価格が上がってしまいます
中には、1~2回とおして
実習できるだけでいいという
方もいらっしゃいますので
レンタルで貸し出して
購入価格を下げることも
できるようにしました
このサービスが決め手で
購入された方も多くいらっしゃいます
4.電気故障の調査と復旧について解説
電気で自動制御された機械は
シーケンス制御で自動化された機械は
多いです
この入門教材では、その機械が
故障した場合、どう調査して復旧させるかに
ついても解説しています。
単にシーケンス制御の基礎を勉強するのでは
なく、それを実務にいかせるように
なってください。
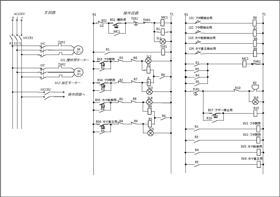
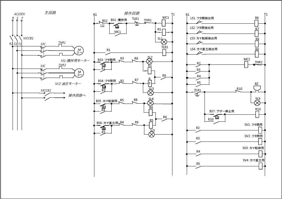
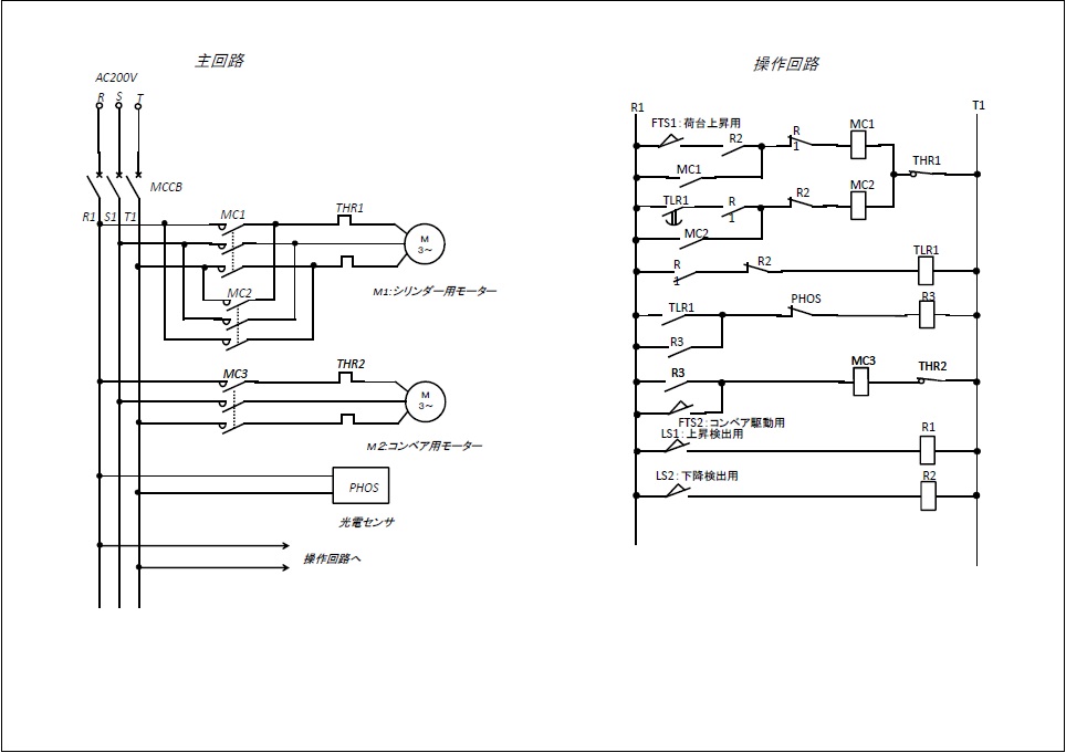
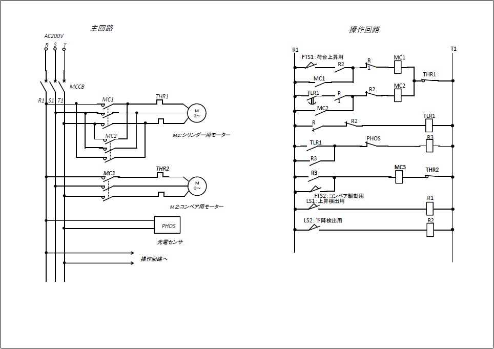
5.展開接続図を理解してもらう
シーケンス制御の電気回路図は
展開接続図とかシーケンス図と呼ばれる
ことが多いです。
基本回路を勉強しても
実際の機械の回路図が理解できるか
分からないものです。
ですので、写真の実際の機械の
回路図を理解してもらいます。
これで、あなたは既にある程度の
回路図なら理解できることが
納得できるはずです
6.学習サポート
この「シーケンス制御入門」は
自宅で独学する内容ですが、
わからない所がでた場合は
購入後60日間は回数無制限で
質問に回答します
安心して自宅で勉強してください
7.返金保証
インターネットで購入する場合
詐欺だったらどうしようとか
不安があります
ですので、購入後60日以内なら
全額返金を保証します。
あなたのリスクはなくなります。
返金については
規定もありますので
正規の販売サイトでご確認ください
8.特典も多数、教材内容以外の質問もOK
回路図を書く練習問題など、特典も
あります。
その中で教材内容以外の質問も
購入後60日以内ですが受け付けます。
これら詳細については
以下のボタンをクリックして確認ください。
販売サイトのページへ移動します。

詳細と購入について

ここまで、「シーケンス制御入門」について
概要を紹介させてもらいました。
更なる詳細や購入については
以下のボタンをクリックして確認ください。
販売サイトのページに移動します。




































コメントを残す